
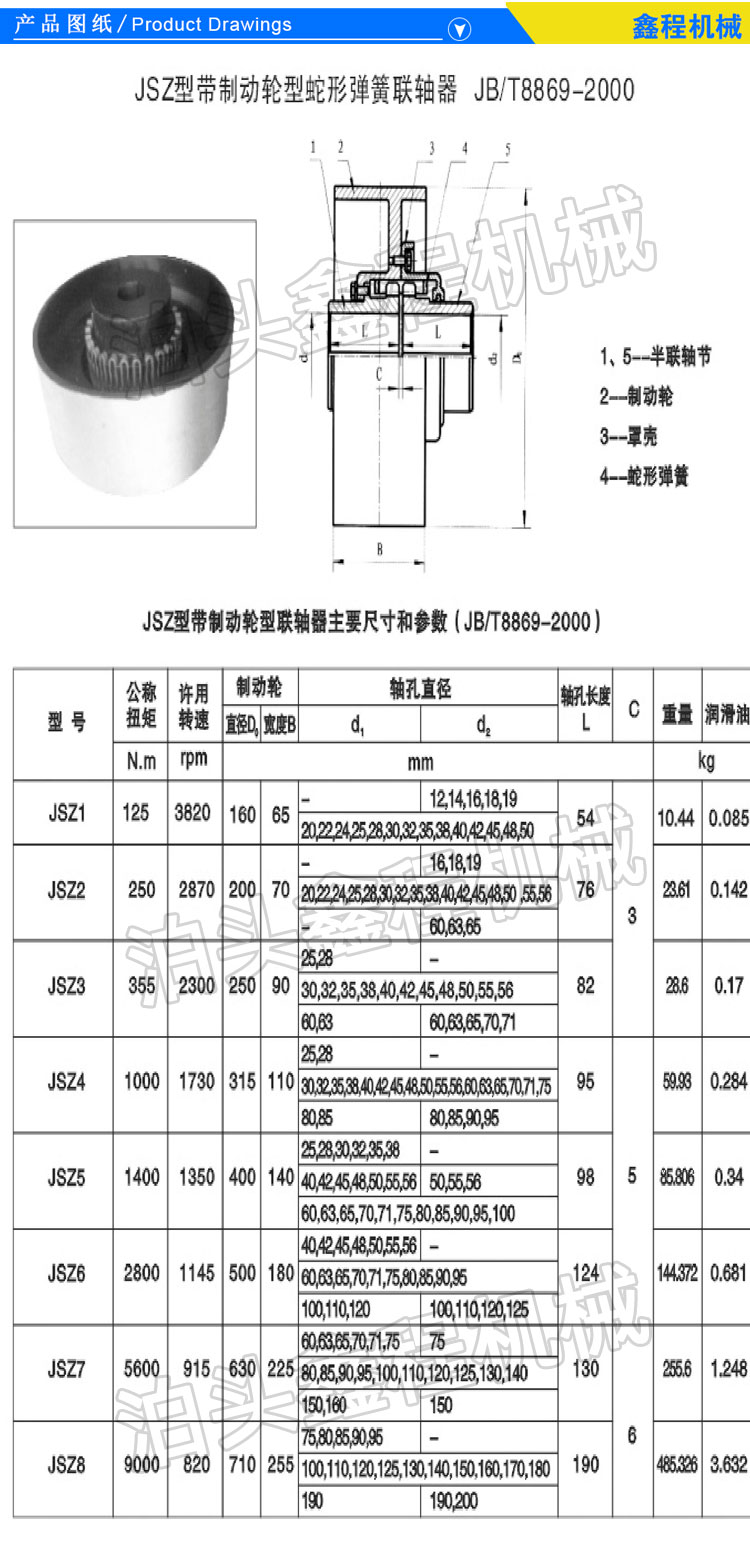
泊头鑫程联轴器厂可承接美标,国标蛇形弹簧联轴器,可带制动轮,制动轮大小可依客户要求制作,蛇形弹簧材质不一样,可根据载荷选择。靠蛇形弹簧片来传递扭矩,是比较流行的轴联接传动部件,也是一种非常通用的轴联接传动部件。



蛇簧联轴器簧 片疲劳强度可 靠性设计
针对蛇簧联轴器簧 片失效问题,在静强度计算的基础上,运用优良性设计理论对蛇簧联轴器的簧 片进行分析研究,将弹簧外载荷、几何尺寸、材料强度性能等参数视为随机变量,建立优良性计算模型。根据优良性分析,深受簧 片的疲劳强度与簧 片材料、尺寸偏差、应力等有关,可以对簧片的选材和加工方法有准确的把握,同时为簧 片系列化设计提供了优良的设计方法。蛇簧联轴器是带式输送机驱动装置联接电动机及减速器高、低速轴的关键部件之一,它的优良性对设备及运输系统的安 全运行具有重要影响。蛇簧联轴器具有传递载荷范围大、运转平稳、自动补偿安装偏差、维修简便等优点。
根据众多地区带式输送机的应用情况可知,在变动载荷作用下,蛇簧联轴器的簧片在接触处会发生疲劳断裂。
本文在静强度计算的基础上,对蛇簧联轴器的簧片进行疲劳强度优良性计算,使簧片尺寸按需定制,可提高簧片疲劳强度,延长簧片使用寿命。常规的疲劳设计中,材料强度、载荷及零件尺寸等数据一般是平均值,这些数据存在离散性。优良性设计所考虑的与设计有关的载荷、强度和尺寸等参数,实际上都是随机变量,对这些随机变量在大量的试验基础上进行统计处理,进行优良性分析和计算。通过应力分布和强度分布进行优良性设计。
本文根据疲劳强度理论及优良性理论对蛇形联轴器簧片的疲劳强度进行优良性设计,符合带式输送机实际工况,比常规的静强度设计接近实际。
根据优良性分析,簧片的疲劳强度与簧片材料、尺寸偏差、应力等有关,根据这种设计方法可以选择合适的材料,提高产品设计质量,减少零件尺寸,从而降低成本。
美标蛇簧带制动轮6085型靠蛇形弹簧片来传递扭矩,是比较流行的轴联接传动部件,也是一种非常通用的轴联接传动部件。
蛇簧联轴器的应用:
1、适用于联接两同轴线的中、大功率的传动轴系,具有确定的补偿两轴相对偏移和减振、缓冲性能,工作温度为-30℃~+150℃,传递公称转矩45~800000N.m。
2、主要应用于碎石机、曲柄往复运动、减速机、冶金、矿山,起重机械等。
3、其它各种机械及设备的轴传动,凡是有马达与员相连,马达与减速箱相联或轴与轴相联的地方都可应用。
搞好联轴器安装很重要
对于刚性可移式联轴器,在装配完后应检查联轴器的刚性可移件能否进行少量的移动,有无卡住的现象,例如齿式联轴器,在装配完后,两个内齿圈和中间间隔套筒所联接成的整体在轴向应有确定的浮动量,也就是说在轴向推动量的大小由设计给定。
各种联轴器在装配以后,均应盘一盘车,看看转动情况是否良好。总之,联轴器的正确安装能实际效果为主机器的运行情况,减小机器的振动,延长联轴器的使用寿命。当然,对于机器来说,联轴器只是一个部件,机器本体的安装是重要的,但是联轴器的安装质量也将直接影响到机器运行的好坏,因此,认真的搞好联轴器的安装是很信守合同的。
{ysseo:fcity} [field:citytitle/] {/ysseo:fcity}




















